ABOUT
PRODUCT
NEWS
NETWORK
SERVICE
CONTACT
language selection-Chinese
ABOUT
PRODUCT
NEWS
NETWORK
SERVICE
CONTACT
Chinese
机械阀 -
Solenoid valve
电磁阀
汇流板
Manifold
Mechanical Valves
机械阀
脚踏阀
Foot Valves
节流阀 / 单向阀
flow contro valve/check valve
气动接头
Fittings
Cylinder
气缸
气控阀
Air control Valve
Air Source Treatment Unit
气源处理器
Hand Lever Valve
手扳阀
Hand slide valve
手滑阀
Hand pull Valve
手拉阀
手转阀
Hand Rotary Valve
梭阀 / 其他阀
Shuttle valve/Other Valve
Xinyi Mechanical Valves
新益机械阀
真空阀 / 快排阀
Vacuum valve/Quick Exhaust Valve
Accessory--PU air tube
Home
>
Product Center
>
机械阀
>
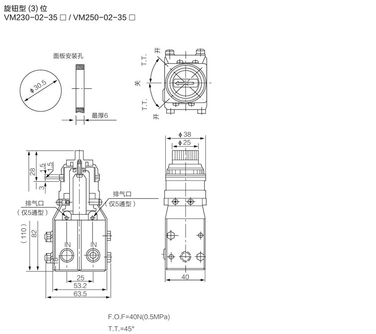
VM230系列机械阀
PRODUCT PARAMETER
ABOUT
PRODUCT
NEWS
NETWORK
SERVICE
DOWNLOAD
CONTACT
© Copyright 2020~2026 Yueqing Yister Electric Co., Ltd. All Rights Reserved.
浙ICP备20025413号