4F210 Series 5 way 2 postion pneumatic foot pedal control valve with lock and guard
Order code

Symbol

Technical parameter
Model
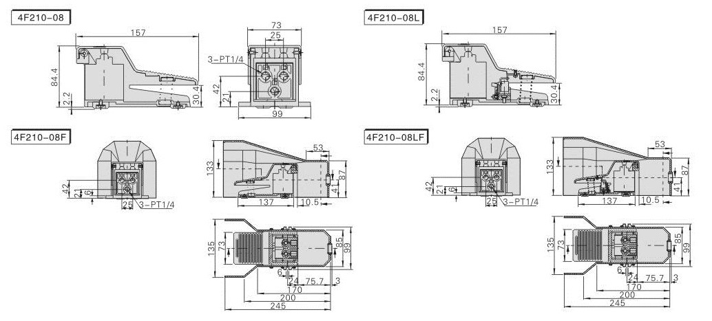
4F210-08
4F210-08L
4F210-08F
4F210-08LF
Fluid
Air
Acting
Direct acting type controlled by foot normally closed
Port size
G1/4”
Valve type
5/2 way
Pressure range
0-0.8MPa
Proof pressure
1.5MPa
Temperature
-20℃~70℃
Body material
Aluminum alloy
Lubrication
No required
Dimension

Feature
1.The aluminum foot pedal is designed with direct acting, which is steady and reliable;
2.If the duration of direction-change is long, the valves with lock may be used;
3.The clamping framework is steady and reliable that it is easy and quick to unlock. However, with the limitation of the dimension of structure, it can not bear frequent strong impact;
4.Plastic guard with high strength may be used.




