Airtac type SC32/SC40/SC50/SC63/SC80/SC100 Series standard tie rod cylinders
Order code

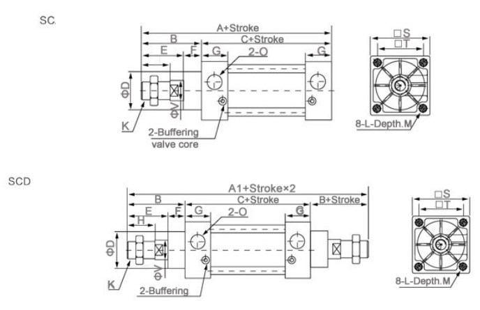
Symbol

Technial parameter
Bore size(mm)
32
40
50
63
80
100
Acting type
Double acting
Fluid
Air
Mounting type
SC
Basic FA FB CA CB LB TC TCM1
SCD,SCJ
Basic FA LB TC TCM1
Operating pressure
0.15~1.0MPa
Proof pressure
1.5MPa
Temperature ℃
-5~60
Speed range mm/s
30~800
Cushion type
Variable cushion
Adjustable cushion stroke
21
28
29
Port size
1/8”
1/4”
3/8”
1/2”
Stroke
Item no
Bore size
(mm)
Standard stroke
(mm)
Max.stroke
(mm)
Allowable stroke
(mm)
SC
SCD
SCJ
32
25 50 75 80 100 125 150 160 175 200 250 300 350 400 450 500
1000
1800
40
25 50 75 80 100 125 150 160 175 200 250 300 350 400 450 500 600 700 800 900 1000
1200
1800
50
1200
1800
63
1500
1800
80
1500
1800
100
1500
1800
Dimension


Feature
.SC series Air Cylinder Double Acting Standard Pneumatic Cylinder meets Airtac standard
.There is an adjustable buffers at the terminals of the cylinder except for mounted cushion.
.We can offer different kinds of mounting style according to Airtac standard, like Foot mounting, Front flange mounting, Rear-flange mounting,and so on.
.Different thread type can be offered according to customers requirements, e.g.:BSP, NPT etc.
.Don’t need lubricate on piston rod by oil





