3A210-06/08 Single electrical normally closed Air Control Pneumatic Solenoid Valve 3A220-06/08
Order code

Symbol

Technical parameter
Model
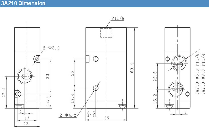
3A210-06
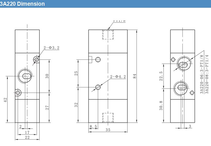
3A220-06
3A210-08
3A220-08
Fluid
Air
Acting
Exterior control
Valve type
3/2 way
Orifice size
14mm2
16mm2
Lubrication
No required
Port size
In=out=G1/8
In=out=G1/4
Protective class
IP65
Pressure range
0.15-0.8MPa
Proof pressure
1.2MPa
Material of body
Aluminum Alloy
Temperature
-5℃~60℃
Response speed
<0.05s
Dimension


Feature
.Structure in sliding column mode: good tightness and sensitive reaction.
.Three position solenoid vales have three kinds of central function for your choice.
.Double control solenoid valves have memory function.
.Internal hole adopts special processing technology which has little attrition,low start pressure and long service life.
.No need to add oil for lubrication.
.It is available to form integrated valve group with the base to save installation space.
.Several standard voltage grades are optional.




